英文名称 :Keshan disease
克山病(Keshan disease,KD)是一种病因尚不十分清楚的地方性心肌病(endemic cardiomyopathy),因1935年在黑龙江省克山县首先报道而命名。此病显著的流行病学规律和病理学特征,以及有效的治疗方法和预防措施,是其防治工作的基础。
临床上根据心功能状态和发病经过,将克山病分为急型、亚急型、慢型和潜在型四个临床类型。急型克山病发病急,病情重,主要临床表现为心源性休克伴有严重心律失常。亚急型克山病发病较急型缓慢,多见于儿童,早期有感冒样症状,常在一周内发生心力衰竭或心衰急剧加重,心脏扩大呈中度或重度。慢型克山病起病缓慢,临床表现以慢性心功能不全为主,心脏重度增大。潜在型克山病一般无自觉症状,以心电图改变为主,心界正常或轻度增大。前三者为心功能失代偿型,后者为心功能代偿型。治疗要根据临床类型和出现的症状体征进行个性化施治。急型可应用静脉推注超大剂量维生素C或亚冬眠疗法,慢型和亚急型治疗基本上同一般充血性心力衰竭治疗方法。
克山病的病理学特征表现为心肌实质的变性、坏死和替代性纤维化,心脏呈肌原性扩张。大体所见,除极少数病程较短的急型或没有心功能障碍的潜在型外,心脏均有不同程度的扩大增重。光镜下可见心肌内围绕冠状血管有多发病灶和新旧病变共存,电镜表现主要为线粒体增生、肿胀、变性和嵴分离、断裂。
流行病学上,克山病病区呈灶状分布于我国从东北到西南一条土壤低硒和气候冷湿的地带上,累及16个省(自治区、直辖市)的330个县域,日本和北朝鲜虽有可疑报道但未证实。克山病发病时间有明显的多发年和高发季节,多发年常受自然因素和社会经济因素变动影响。急型高发于北方寒冷冬季,亚急型多发于西南地区夏秋梅雨季。克山病人群选择性主要累及病区自产自给的农业人口,其中又多危害生育期妇女和断乳后至学龄前儿童;约1/3患者集中或几年之内间断地在同一家庭发病,而这些家庭又常是当地生活困难的农业户或新迁入病区的困难农业户。
克山病病因是20世纪中国医学重大悬案之一。病因调查范围广泛,形成了一些著名假说,我国学者主要提出营养性地球化学病因学说、生物病因学说和复合病因学说。营养性地球化学病因学说认为,由于硒等某些微量元素和营养物质缺乏或失平衡而破坏了正常心肌代谢,引起心肌损伤。生物病因学说一是认为克山病年度多发、季节多发的流行特点,部分病例常伴有腹痛、腹泻或呼吸道感染症状等,在某种程度上符合肠道病毒特别是柯萨奇病毒感染规律;二是认为克山病可能因病区种植粮食收储过程中受真菌污染所产生的次级毒素所致。由于单一病因学说不能完整地解释克山病的所有特征,多数研究人员倾向认为克山病发病基于缺硒背景、各种因素复合而成。
克山病自清末以来波浪式猖狂流行100余年,虽然多种防控措施并用病情有所缓解,但直到1978年农村改革开放后病情才出现断崖式迅速全面消退,发病谱明显转变,急型克山病发病率大幅度下降。为掌握克山病病情动态变化,指导制定防治策略,1990年起开展全国统一的克山病病情监测工作,监测点连续30年无急型克山病发生,个别历史重病区短暂发生过亚急型,主要检出的是散发潜在型和慢型克山病患者,且新发病例极少,大批老患者陆续病死或迁出。“十三五”终期病情评估,所有克山病病区县实现全部消除。虽然克山病渐行渐远,不排除未来局部地区病因链条构成引发死灰复燃的可能性。今后克山病防控工作首先是要在一些重点地区进行长期监测和专项调研,及时掌握病情及危险因素变化;第二是积极开展慢型克山病现患治疗管理和健康教育;第三是病区可持续性防控要结合精准脱贫,大力发展当地经济,建设新农村,保证粮食市场化供应;第四是深入开展病因学研究。
克山病病因悬而未决,但经过长期艰苦的探索,病因研究取得显著进步,目前已大大缩小了包围圈。回顾历史,1936—1945年,当时满洲医科大学对克山县暴发病区进行了调查和动物实验,认为克山病是北方农民冬季吸入火炕产生的CO慢性中毒所致低氧血症引发的心肌病。但这个假说不能解释中国西南病区夏秋季节众多儿童发生克山病的现象,而且病理上克山病心肌内散在大小不等的坏死灶,与一氧化碳中毒心肌病有显著不同。新中国成立后,特别是从20世纪60年代开始国内各研究小组从寻找病区和非病区内外环境差别作为研究的基本出发点,先后提出了若干新病因理论,有的被实践否定,有的难以肯定。后来病因研究逐渐集中到“水土营养学说”与“生物性病毒感染或真菌中毒学说”两方面,各持有据,长期争论。按致病因子的性质,有传染、中毒和缺乏三种类型。
一、生物地球化学说
一些研究认为克山病病因存在病区水土之中,通过食物链作用于人体。该观点主要有微量元素、氨基酸、维生素缺乏或失衡等引起的克山病早期心肌损伤。而传统膳食改变则可能是造成该现象的启动因素。
(一)硒缺乏
20世纪70年代以来的一个重要进展是发现克山病发生与生活环境低硒有密切关系。地学工作者从地质地貌、水土环境、人畜毛发等诸多方面确定了我国存在与克山病分布一致的、从东北到西南的低硒地带。病区粮硒水平在0.003~0.01mg/kg,而非病区为0.021~0.044mg/kg,差别非常显著。经二十多年的监测表明,无人为干预情况下病区粮食中硒水平相对稳定。20世纪60年代中期,在陕西、黑龙江开展口服亚硒酸钠预防克山病的试验,70年代又在四川冕宁、西昌等地继续大规模试验观察。服硒人群急型、亚急型克山病的发病率显著低于对照人群,从而肯定了补硒预防克山病的效果。从1976年起在全国各重病区逐步推广补硒预防措施。
但硒缺乏与克山病的消长之间存在一些矛盾现象,例如低硒地区可无克山病发生;新发患者的硒水平与未发病者无明显差异;高发病季节,病区人群硒水平无相应降低;即使在低硒地区,每年的发病率亦不相同。通过对潜在型克山病心内膜活检的研究,证明机体硒水平提高后,未能防止潜在型克山病心肌内“固有”超微结构病变的修复。以上提示低硒不是克山病早期心肌损害的“始动因素”,补硒预防克山病的机制在于保护心肌,防止发病。
(二)膳食单一
通过大量的调查研究发现,克山病病区人群发病与膳食条件有关。病区居民膳食条件与非病区有明显不同,病区居民每日膳食中蛋白质、热量、钙及维生素摄入均低于国家标准和非病区供给。不合理的膳食组成进一步突出致病因子的作用,而膳食多样化可减少发病。克山病发病人群选择性及其原因调查进一步证实了农业人口与非农业人口发病存在着十分明显差异,膳食来源与组成不同则是造成这一差异的主要原因。其中膳食中钙与蛋白质营养不足与克山病发病关系较为密切。
钙营养不足在我国是个普遍存在的问题,并不限于克山病病区,但克山病病区易感人群的膳食低钙却有其特别严重性。膳食调查发现克山病病区人群膳食钙含量明显低下。这种低钙并不等同于病区与非病区粮食钙含量上的差别,而主要是由病区居民膳食组成不同所致。动物实验模拟病区易感人群膳食配制的低钙偏食饲料可使胰岛素(insulin)及C肽(C-peptide)分泌减少,甲状旁腺激素(parathyroid hormone,PTH)、降钙素(calcitonin,CT)和生长激素(growth hormone,GH)水平降低,可明显加重大鼠的心肌坏死,其坏死程度与血浆游离Ga2+水平降低相关,单纯补钙即可明显减轻动物这类组织的损伤。上述实验表明,膳食组成所形成的低钙可参与克山病心肌及其他组织病变的发生与发展。
关于蛋白质营养与克山病发病关系的推测来源于在克山病病区居民膳食中补充豆腐或者在口粮中增加大豆比例能对克山病的预防收到肯定效果这一事实。经流行病学调查证实,病区与非病区粮食中蛋白质含量无明显差异,但对病区与非病区大米中人体必需氨基酸含量的分析显示,病区大米中的必需氨基酸苏氨酸、缬氨酸、异亮氨酸、亮氨酸、苯丙氨酸、蛋氨酸及色氨酸均显著低于非病区,而玉米中蛋氨酸和胱氨酸含量显著低于非病区。结合对病区居民血浆游离氨基酸测定结果,认为病区人群的含硫氨基酸(sulphur amino acids,S-AA)缺乏处于临界状态。含S-AA摄入不足,从膳食中摄取的硒蛋氨酸则替代蛋氨酸参与蛋白质合成,则影响硒的生理功能。我国农民蛋白质摄取量约70%来自谷物,病区在无充足的其他副食供应情况下,居民的必需氨基酸摄入量显然不足。动物实验证明摄入低蛋氨酸饲料,可引起心肌超微结构的损伤,如心肌线粒体肿胀、大小不等、空泡变性及肌丝断裂,全血和心肌中的谷胱甘肽过氧化物酶(glutathione peroxidase,GSH-Px)活性降低。存在低硒、低维生素E时,更加重了这种自由基代谢紊乱而引起心肌损伤的现象。
二、生物病因学说
(一)肠道病毒感染说
急型、亚急型克山病存在年度多发、季节多发的流行特点,部分病例常伴有腹痛、腹泻或呼吸道感染症状等,这些流行特点无法用单一的硒缺乏和/或维生素E、蛋白质缺乏来解释,而在某种程度上符合肠道病毒特别是柯萨奇病毒感染流行规律。柯萨奇病毒属微核糖核酸病毒科,肠道病毒属,直径20~30nm,基因组为线状、单股核糖核酸(ribonucleic acid,RNA)片段,该属病毒分为A、B两组,B组有1~6个血清型,与人类心肌炎的发病有关,特别是柯萨奇B组病毒2~5型。病毒感染后在咽部、肠黏膜细胞中增殖,然后经血转入靶器官,如心脏。部分研究者依据以上特点、病区现场特征及病毒分离结果等提出肠道病毒可能是克山病复合病因中不可缺少的致病因子,主要有以下几点依据:
在血清学方面,用急型、亚急型克山病患者双份血清做柯萨奇B组病毒(Coxsackievirus B,CVB)1~6型中和抗体效价的滴定,患者血清中某些CVB组病毒中和抗体效价明显高于健康人,35%~74%的急型、亚急型克山病患者CVB组病毒中和抗体呈4倍增高。病毒特异性免疫球蛋白M(immunoglobulin M,IgM)抗体检测结果也高达33%~66.6%,显著高于非病区对照。这些资料均证明克山病患者有新近CVB病毒感染。
从急型、亚急型克山病患者血液、尸检心肌及其他脏器材料中先后分离出50余株病毒,经鉴定主要为CVB 和柯萨奇病毒 A9(Coxsackievirus A9,CVA9)、艾柯病毒(Echo12,2,33,27)、腺病毒(adenovirus,ADV)和一些未定型病毒株,部分病毒可经电镜及单因子血清鉴定和证实。但总的来看,从克山病患者体内分离到的病毒阳性率低,且型别比较分散,因此无法做出相关的定论。
用上述分离到的CVB4、CVB2、CVA9接种培养的心肌细胞(cardiomyocyte)、人宫颈癌细胞(Hela cell)、猴肾细胞(vero cell)可出现恒定的细胞病变,并在其细胞培养的上清液中测得明显增高的心肌酶。该病毒接种到低硒喂养的昆明乳鼠,同样能引起小鼠心肌变性、坏死等一系列心肌病变。
采用生物素标记的CVB3病毒文库(complementary DNA,cDNA)探针与黑龙江、山东、云南三省病区克山病尸检心肌组织进行原位核酸杂交,以及用聚合酶链反应技术从急型、亚急型、慢型克山病尸检心肌标本中均检出肠道病毒RNA片段,其病毒RNA阳性检出率高达60%~90%。
用柯萨奇B5病毒制备的结构蛋白(viral protein 1,VP1)单克隆抗体检测各型克山病尸检心肌组织,其阳性率高达80%~100%。
用原位末端标记法(terminal deoxynucleotidyl transferase dUTP nick end labeling,TUNEL)能够在各型克山病尸检心肌组织中检出凋亡细胞,凋亡细胞多为肌间线蛋白(desmin)异常改变的心肌细胞、血管内皮细胞、炎性浸润细胞及一些间质细胞,且细胞凋亡多出现在肠道病毒RNA检出阳性的部位。这些现象与复制的动物病毒性心肌炎模型检出结果相似。
Beck等发现,对低硒或低VE条件喂养的小鼠注入无致病作用的CVB3/0病毒能引起小鼠心肌病变,经取样分析发现,该病毒核酸序列出现6个位点的突变(234,788,2271,2438,3324和7334),再用该突变病毒感染常硒小鼠,即能出现心肌病变,说明病毒在低硒条件下由无毒性株突变为有毒性株。新近研究表明,CVB3还可编码硒蛋白的启动子。在正常硒水平条件下,CVB3可以表达硒蛋白,其表达的硒蛋白具有抑制病毒自身复制作用。但在低硒条件下,CVB3不能够表达硒蛋白,其抑制自身复制作用消失,使得CVB3在体内大量复制,对心脏细胞造成直接破坏。国内学者的研究也证实,低硒鼠心肌炎发病率高且病情严重。这两方面新进展支持肠道病毒特别是柯萨奇B组病毒感染与克山病发生、发展高度相关。
(二)真菌毒素中毒学说
真菌毒素中毒学说认为,克山病的主要病因很可能是由病区产粮食上繁殖的毒性真菌特别是镰刀菌属真菌所产生的毒素所致。由于毒性真菌是微生物,生态环境可决定其产毒力的强弱和其本身的消长,可以很好地解释克山病流行病学特征。这类真菌在自然界适宜的基质(如发霉的粮食)上所产生的毒素是低分子有机化学物质,一般的煮沸温度不能将其结构和毒性破坏。当这类毒素随食物长期、多次、少量进入机体后,如果对心肌等组织有特别侵犯力时,那就可能侵入心肌实质及间质,发挥急或慢性中毒作用。当心肌病变后失去代偿能力时,就因心力衰竭而发病,以致死亡。
20世纪80年代有人从克山病病区粮中提纯出串珠镰刀菌素(moniliformin,MF),后来一些传媒报道MF是导致克山病的元凶,引起人们重视。“八五”期间,预防医学科学院营养与食品研究所采集南北方病区与非病区稻谷样品184份、玉米样品137份进行真菌检查,并用高效液相色谱法(high performance liquid chromatography,HPLC)测定其MF含量。结果发现,分离出的镰刀菌和串珠镰刀菌占总真菌数的百分比在病区和非病区并无明显差别,且都不是优势菌;病区粮样MF检出阳性率高于非病区粮样,但MF含量在病区与非病区间无明显差异,不同粮食品种之间毒素污染的差别大于病区与非病区间的差别;串珠镰刀菌在用病区、非病区玉米制作的培养基上均能产毒,在非病区玉米上的产毒量高于病区玉米上的产毒量;用大鼠进行染毒实验证明MF致毒靶器官是心脏和睾丸,心肌中未见类似克山病的病理和酶谱改变。尽管对以上结果解释还有不同见解,但由此尚得不出MF是克山病病因的结论。
哈尔滨医科大学病因流行病学重点实验室在1973—1975年的现场流行病学调查时发现,克山病患者发病前均有食用过大量呈浅绿色霉焐粮食的明确历史,离发病时间均在4~12月之间,与饮水无关。1998年从黑龙江省克山、富裕等旧病区收集到霉焐小米11份,用察氏培养基(Czapek dox agar)培养小米330粒1周,观察到所有米粒均有真菌生长,其中P.citreo-viride菌株约占10%。分离单一菌株接种培养10~20天,可收获大量黄绿青霉素(citreoviridin,CIT),每碟约有2.5mg。以黄绿青霉素染毒大鼠,每天分别按剂量2~4mg/kg体重和15mg/kg体重饲喂1个月后处死。低剂量组光镜下无异常所见,电镜下可见心肌线粒体肿胀、嵴膜破坏,线粒体膜融合、消失,对照组正常。高剂量组光镜下可见心肌实质原发性变性坏死,呈灶状散在分布,涉及面较大,多见于室中隔、左室内膜下及心尖部,有淋巴细胞和单核细胞浸润,心肌细胞呈颗粒变性,肌原纤维凝集、崩解,并有部分心肌纤维呈溶解性改变,对照组无异常所见。据此,提出了克山病病因可能是黄绿青霉素慢性中毒,经病区产谷物传播,食用霉焐粮食是必要条件。进一步研究证据表明:
1.粮食中CIT污染水平的HPLC检测
黑龙江省13个县的市售粮食中CIT检测阳性者CIT含量均值7.1ng/g,而在克山病历史重病区富裕县丰田村和林茂村现今地产的外观正常粮食(玉米面)中CIT毒素的阳性检出率仍高达42.31%,阳性CIT含量均值为12.33ng/kg,均明显高出本省市场同类粮食的含量水平。
2.黄绿青霉素对大鼠心肌损伤的形态和生化毒理
饲喂15mg/kg CIT可使大鼠心肌发生变性和坏死,呈灶状或条索状分布,涉及面较大,有多量淋巴细胞和单核细胞浸润,肌原纤维凝集崩解,部分心肌细胞颗粒或空泡变性。电镜下实验组心肌细胞核固缩,肌丝溶解,结构明显紊乱,Z线(Z-band)增粗,线粒体数量明显减少。CIT可使大鼠血清中乳酸脱氢酶(lactate dehydrogenase,LDH)、谷草转氨酶(glutamic oxaloacetic transaminase,GOT)、肌酸激酶(creatine kinase,CK)、肌酸激酶同工酶(creatine kinase isoenzymes,CKMB)及肌钙蛋白T(troponin T,TnT)含量增多,均存在统计学意义。
三、病因研究认识
由于单个病因假说难以完整解释克山病所有特征,后来一些研究者趋同“复合病因”观点。但近年来研究认为克山病发生发展虽然需要多个因素介入,但它们发挥的作用不同、参与时间有前有后,应严格区分为独立致病因素、必要条件因素和病变增效因素,而不是简单解读为若干危险因素的平行概率组合。以上各种假说是以不同认识水平或各自专业角度对克山病病因进行的有效探讨,虽然各持有据,但存在片面性,给人似是而非的感觉,如何取舍或整合呢?通过大量历史文献研究,我们提出以下看法:
1.病因自身内在的矛盾性问题
克山病病区多分布在适合于生物群落繁殖的山区、丘陵地带,急型、亚急型克山病病例有年度高发和季节多发,这些流行特点易于用生物性病因解释。但在临床上未发现克山病患者有免疫性和传染性,尸检心肌病理改变也以变性、坏死和纤维化为主,炎症反应轻微,这些特点易于用化学性病因解释。因而出现了流行病学规律和临床、病理学特点之间相互矛盾的奇怪现象。
2.以往病因探索的思路问题
既往大多数克山病病因研究理念:其一,从病区与非病区内外环境的差别中寻找克山病致病因子作为基本出发点,而不是确认致病载体。已检出的营养缺乏因素如低硒、低镁、低钼、低维生素E、低蛋白、低钙,有害因素如高硅酸、高锰、亚硝酸盐类、腐殖质……由于差别因素实在太多,依此思路寻找下去,无异于大海捞针,即使经过千辛万苦筛选出一些差异性危险因素,也很难将它们与克山病的发生建立起因果联系。其二,在病因的基本认识上,主流学派受硒缺乏学说的思想束缚严重,似乎离开硒就不算克山病病因研究。在“复合病因”概念下围绕硒与其他因素的种种概率组合,只强调条件致病性,而不注重各因素作用的性质、主次之分和参与时间顺序,从而淡化了追查始动致病因子的努力。
3.可靠的关键病因线索
克山病被发现以来,已在多个方面对其病因进行探索,但目标分散,我们认为最具病因价值的线索是以下两个发现:①流行病学调查确定了主要致病物质仅存在于克山病病区自产自食粮食中,与饮水和空气无关,从而定位致病物质进入人体的载体和途径;②病理学上发现了心肌细胞线粒体损害为早期特征性病变,从而定位致病物质的分子作用靶点。这两个定位在病因研究进程中具有分水岭贡献,大大缩小寻找克山病病因的范围、视野,便于明确方向和集中精力。
克山病在流行病学分布特征上,有明显的地区性、时间性和人群选择性等特点,如有明显的多发年和多发季节,育龄期妇女和学龄前儿童是克山病的主要受影响人群,且在高发年代表现尤为突出。
一、地区分布
(一)病区范围
克山病发生在我国由东北到西南的一条狭长地带,病区涉及黑龙江、吉林、辽宁、内蒙古、河北、河南、山东、山西、陕西、甘肃、四川、重庆、云南、西藏、贵州、湖北16个省份。2021年全国地方病防治工作调查数据显示,全国有330个克山病病区县,县级受威胁人口12 241.2万人,有2 411个病区乡,乡级受威胁人口5 623.9万人。山东、四川两省病区乡人口超过1 000万,病区乡人口超过300万的省份包括云南、吉林、甘肃、黑龙江、重庆和陕西。
(二)地理特征
克山病流行与病区自然地理环境关系密切,病区多沿大山系两侧,水系上游,分布于中、低山区、丘陵地带及其相邻的部分平原地带。海拔一般在100~2 500m。如黑龙江西部和内蒙古东北部的大兴安岭及黑龙江的小兴安岭、张广才岭两侧的半山丘陵地带,吉林和辽宁的长白山地区,河北的燕山与坝上高原地区,山东的沂蒙山区,山西的吕梁山、太行山区,陕西的黄土高原和秦岭南麓,甘肃的子午岭地区,河南的崤山、熊耳山地区,四川的大巴山、大凉山两侧浅山区、丘陵地区,云南的横断山余脉地区等,均属克山病病区。上述地区处于温带、暖温带森林和森林草原型为中心的生态环境。地处东南湿润季风区向西北干旱、半干旱地区过渡的中间地带,气候相对湿润,年降水量400~1 200mm。地貌多呈侵蚀区,地表水流失严重,各种可溶性化学元素被淋溶冲刷。研究表明,病区处于贫硒地带。病区呈灶状分布,病情轻重不一,重、中、轻病区相互毗连成片,逐渐移行,直至过渡到非病区,但在病区内也可存在灶状非病区。
二、时间分布
(一)多发季节
急型克山病、亚急型克山病存在明显的季节多发特征。北方病区的急型克山病多发生在冬季,从11月至翌年2月,其间的发病数可占全年发病总数的90%以上,尤其集中在12月至翌年1月,构成季节发病高峰,称此种发病为“冬季型”。病区流传着“头场雪、三九天、过小年”为克山病发病的“三关”。西南病区的小儿亚急型克山病,于炎热的夏季多发,集中在6~9月,可占全年发病总数的75%以上,其中7~8月为高峰,称“夏季型”发病。地理位置在东北病区和西南病区之间的陕西、山西、山东等地病区的多发季节,由12月至翌年4、5月,并以2~4月为高峰,称为“冬春型”发病。
(二)多发年
多发年常受自然因素和社会经济因素影响。据我国北方病区1959—1990年急型、亚急型病情统计分析表明,此间出现三次高峰年,分别是1959年、1964年和1970年。1964年,黑龙江省富裕县重病区繁荣公社出现急型克山病发病高峰,发病率高达2.23%。陕西省甘泉县在20世纪60—70年代初的克山病高发时期,年均发病率达3.82‰。其中,1969—1971年是克山病暴发流行的高峰年,发病率在5.4‰~6.4‰。作为南方病区的代表,四川省大竹县1966年发病率为3.88‰,重病村发病率高达5.4%。自1978年以来,病情呈逐年下降趋势,至90年代,在多数北方病区监测点已很少有急型、亚急型病例发生,全国监测点每年检出的数十例急型、亚急型克山病患者,绝大部分发生在四川和云南病区。截至2019年,全国克山病病情监测已经连续进行了30年,累计完成113.4万人次临床检诊,克山病年平均检出率137/万,其中慢型克山病年均检出率25/万,潜在型克山病年均检出率111/万。
三、人群分布
克山病多发生在病区自产自给的农业人口中,同一地区的非农业人口极少发病,其中以育龄期妇女和儿童多发。
(一)性别年龄
20世纪五六十年代,我国北方病区的急型克山病以生育期妇女为多见,比同年龄男性多1~2倍以上,高者可达4~7倍,其他年龄组差异不明显。高发年代,黑龙江省连续12年的发病资料显示,人群发病男女之比为1∶2.32,21~40岁男女之比为1∶8.88。1959年黑龙江省21~30岁年龄组急型克山病发病率,男性为3.16/10万,女性为46.50/10万;1964年同年组急型克山病发病率,男性为1.37/10万,女性为16.29/10万,不同性别发病率差异显著。
南方病区的亚急型克山病,几乎全部发生在儿童,其中又以2~7岁,即断乳后至学龄前儿童为最多,约占发病总数的80%以上,发病无性别差异。据四川省4个主要发病县3 528例患者年龄分布,2~7岁占85.53%,其中3~4岁占49.72%,1岁以下和10岁以上仅占2.07%。值得注意的是,普遍存在倒数第二个孩子容易发病的现象,当最小的孩子已出世,开始哺乳,刚刚断乳的倒数第二个孩子罹患克山病的可能性最大。
(二)家庭聚集性
部分克山病患者存在家庭聚集性,即在病区的部分家庭中发生多例克山病。这些患者集中或几年之内间断地在同一家庭发病,而这些家庭常是当地生活困难的农业户或新迁入病区的困难农业户。
(三)民族
在民族混居地区,若生产、生活方式相似,克山病民族间发病差异不明显。
克山病的病变主要累及心肌,表现为严重的变性、坏死、修复等改变。骨骼肌也可受累,但病变程度轻。全身其他器官也有不同程度的病变,多继发于急慢性心功能不全。
一、心脏病理改变
(一)肉眼观察
1.心脏大小及重量
除极少数病程较短的急型或没有心功能障碍的潜在型外,心脏均有不同程度扩大,大者可达正常心脏的2~3倍以上,尤以慢型为重(图1)。儿童慢型克山病心脏扩大更为显著,严重者甚至引起心前区隆起,胸廓变形。心脏增重的程度通常不及扩张显著,坏死严重的急型克山病心脏重量一般在250~350g。长期慢型克山病病例,心肌有广泛纤维瘢痕,心肌肥大,心室明显扩张,心脏重量亦可超过500g以上。儿童慢型克山病病例可达同年龄儿童心重的2~3倍。心室壁一般不增厚,甚至变薄(图2)。
2.病灶类型
心室壁切面可见境界清楚的多数病灶。肉眼观察心肌内病灶有三类:
(1)坏死期
心肌切面呈灰黄色,缺乏光泽,不凹陷,质地较软,松弛,呈片状或斑块状,是以坏死为主的病例。将左心室作多个纵切面,心内膜下病变常呈周壁性分布。有时,坏死区周边部充血、出血分界清楚,类似梗死样坏死。
(2)恢复期
心肌切面呈暗灰色、稍凹陷,有微透明感。这类病灶境界很清晰,呈斑点状或短索状,是幼嫩的纤维瘢痕病灶,属坏死吸收至早期恢复期病变。
(3)瘢痕期
心肌切面呈灰白色、凹陷、质较硬实,呈不整齐的片块状或树枝状,这属于较陈旧的瘢痕。
上述病变可同时存在于同一病例,通常左室及室间隔较右室为重,心肌内层、乳头肌和中层重于外层。心内膜可见斑块状增厚,易见附壁血栓。
3.各型克山病特点
急型、亚急型克山病心内膜的肉眼观察通常无明显改变。病程较长,心室扩张明显者,左室内膜可见轻度弥漫性增厚,发白。慢型克山病病例左室内膜易见白色斑块状增厚,系附壁血栓机化覆盖内膜表面,各型病例均可见附壁血栓。其好发部位为左室肉柱间及左、右心耳内。各瓣膜通常无异常,在心脏扩张明显的慢型克山病病例中,二尖瓣相对关闭不全,常有血液反流引起二尖瓣游离缘非特异性增厚,表面光滑,如卷边状。心外膜也多无改变,但部分病例有局限性或弥漫性的心包粘连,紧贴外膜有一狭窄的带状坏死区,有少量纤维素渗出及增生的肉芽组织。
(二)光镜下观察
1.心肌实质变性

图1慢型克山病大体观
(心脏扩大,外形呈球形,重535g)

图2慢型克山病大体观——左室切面
(心脏高度扩大,室壁普遍变薄,乳头肌肉柱变扁,重 443g)
(1)颗粒变性
心肌纤维肿胀,横纹模糊不清,肌原纤维断续,其间出现多数微细颗粒。病变严重时,肌纤维内出现排列较整齐的肌原纤维收缩带,心肌收缩带宽窄不一,肌原纤维断裂,呈粗糙的颗粒状结构,可发展为心肌凝固性坏死。
(2)水泡变性
肌纤维略显肿胀,胞质淡染可见许多细小境界模糊的小空泡,肌原纤维隐约可辨。肌原纤维稀疏,空泡互相融合,胞核肿大,核仁明显,染色质周边化,呈空泡状,病变逐渐加重后,可发展为肌溶解坏死。
(3)脂肪变性
病变轻时,脂滴细小,排列整齐;严重时,脂滴粗大,肌原纤维及横纹不清。脂滴多呈灶状分布,且与局部心肌损伤严重程度相平行。在半超薄切片中,可见锇酸染色的脂滴整齐的出现于肌原纤维间。脂滴大小不等,直径为0.5~4μm,严重心肌脂肪变性多见于急型克山病病例。
2.心肌坏死
分为凝固性和液化性肌溶解两种基本类型,共同点是心肌纤维坏死、间质保存,炎症属于继发性吸收、修复性反应。
坏死多呈灶状分布,病灶之间相隔有正常心肌组织。心肌坏死灶的形态可为点状、粟粒状、融合成斑片状或梗死样坏死。以多发性粟状心肌坏死灶为基本形式,病灶大小相仿,数目众多,弥散分布于心肌全层,是区别于其他心肌坏死灶的突出所见。较大的坏死灶常有离心性扩延倾向,病灶周边部有较多炎细胞和残存的心肌质块,稍内侧为不同程度的心肌水泡性变、肌溶解,坏死后空架,病灶中央为纤维结缔组织。梗死样坏死由一致性的大片坏死后空架组成,或由多个较小的斑片状坏死融合而成。近心内膜处有时可见狭窄不完整的心肌保留带。
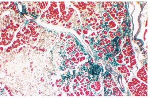
心肌损害成批发生,可以新旧并存(图3)。在心脏旧、新病变发生顺序通常是先左室、后右室,由内层向外层。在同一部位常见陈旧病变在中心,新鲜坏死在周边。北方地区的成人克山病这种新旧并存的现象相当多见,南方小儿亚急型病变多为一致性。坏死灶与冠状动脉走行密切相关,常见的有两种围血管坏死灶分布。
(1)与分支型相关
位于分支型冠状动脉分支支配区域粟粒状坏死灶,呈簇状分布,病灶境界清楚,大小相仿,呈团球状,散在分布于肌壁全层,呈特有的成串的葡萄模式,此种病灶最多见(图4)。
(2)与直进型血管相关
是指主要位于直进型或分支型冠状动脉主干枝的围血管性心肌坏死灶,病灶宽窄不一,或为一、二层心肌纤维(窄的套袖)或涉及多层肌束,还可由多个不完整的粟灶状病灶分列于血管两侧络绎相连而成。此种病灶可发生于心外膜下或心壁中层某一段血管周围的心肌组织,又可伴随直进型主干全程形成宽的套袖状围血管的病灶。

图3慢型克山病光镜下观察
(心肌坏死、瘢痕病灶、新旧病变并存)

图4慢型克山病光镜下观察
(围血管病灶呈成串葡萄状模式分布)
左室乳头肌坏死灶的围血管形态主要有以下两种表现。在树突型乳头肌,病变沿着血管形成心肌坏死灶横贯乳头肌带状病灶与正常心肌交替分布。在指状型乳头肌,形成较小的、不规整的虎斑状坏死灶,病灶中可见横断的小动脉。就发生部位来说,病灶均处在微循环床的动脉末端,血管密度较低的区域。
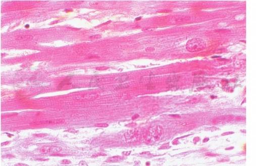
3.炎性反应

图5慢型克山病光镜下观察
(心肌灶内再生心肌细胞,呈双核,核仁清楚)
与心肌坏死相伴随,可见程度不等的间质炎反应。在早期变性坏死阶段,炎性反应不明显。坏死严重时,局部可查出一定数量的淋巴细胞。急剧坏死时,坏死肌纤维周围可见较多中性粒细胞、淋巴细胞、单核细胞一过性浸润。此时,间质和血管周围炎也较明显,远离坏死区的心肌只有少量炎性细胞浸润。克山病以心肌变性、坏死、修复过程为主,炎症属于吞噬吸收反应。心外膜及内膜的炎症反应轻微,较局限,主要是小灶状淋巴及单核细胞浸润。仅在靠近心外膜及内膜处有心肌坏死时,局部炎症反应较明显。贴近正在机化的附壁血栓处的心内膜通常炎细胞亦较多。
4.修复及再生
克山病心肌坏死灶的修复主要为局部网状纤维增生形成的大小不等的瘢痕所替代,通常不形成广泛的间质纤维化。在灶状瘢痕之间,常保留较为正常的心肌,有时可见十分纤细的胶原纤维束交织成细小的网眼,网罗着每个肌纤维。晚期坏死灶及早期结疤附近常有再生心肌细胞(图5)。该细胞嗜碱染色,横纹模糊不清,胞核普遍增大,常见双核和复核细胞,或多核巨细胞。瘢痕灶周围常伴有不同程度的心肌细胞肥大,多见于晚期瘢痕为主的病例。
5.心肌传导系统改变
克山病病变常累及室间隔,特别是心内膜下心肌,传导系统亦可受累。病变传导系统的实质细胞以变性、坏死及纤维化为主。两侧束支最重,其中右束支常被中断,希氏束、房室结病变轻微,窦房结一般无改变。
(三)电镜下观察
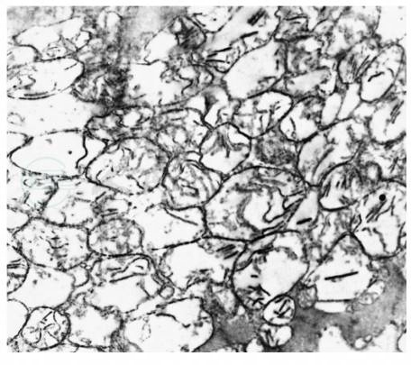
心肌线粒体的改变相当普遍和严重,早于肌丝的改变。除可见一般线粒体之肿胀、嵴破坏、空泡化或致密颗粒沉着外(图6),值得注意的还有线粒体之增生,成群拥挤在肌原纤维之间,有的可达六列以上(图7)。各型克山病均可见线粒体增生改变。

图6慢型克山病电镜下观察
(亚急型克山病线粒体肿大、嵴膜断裂、分解、空泡变)

图7慢型克山病电镜下观察
(心肌原纤维粗细不等,线粒体明显增多,部分线粒体空泡变)
二、其他组织脏器病理改变
(一)横纹肌
部分克山病病例横纹肌亦可发生类似心肌损伤的病变,但程度极轻,肉眼观无明显改变。镜下可见单个或小肌群肌纤维的变性、坏死,继以炎性细胞浸润、吞噬和吸收,肌膜细胞增生和肌纤维的再生及修复过程。部分病例可见微小瘢痕。常累及膈肌,肋间肌,腓肠肌甚至舌肌。
(二)肺
一般有不同程度的急性或慢性肺淤血。部分病例兼有水肿、漏出性出血,少数病例有新鲜或陈旧性梗死。南方小儿克山病常合并间质性肺炎,尸检检出率可达50%~90%不等。
(三)肝
近半数慢型病例有不同程度肝淤血性纤维化,其中少数病例发展为淤血性肝硬化。急型持续性心源性休克,低血压常引起小叶中心性梗死样坏死,其病变程度与休克严重程度和时间呈正相关。
三、临床与病理联系
克山病临床分型主要依据是患者的心脏功能状况,各型并无其特有的病理病变。但各临床类型之间,不同病理改变所占比例和严重程度是有所不同的。现将各临床类型的一般病变特点列举如下:
(一)急型
心肌病变以变性坏死为主,常见心内膜下心肌坏死,肉眼常表现为灰黄色片块状病变。心脏扩张及增重程度一般较轻,大体能保持心脏的原来外形。心肌瘢痕一般较少、较小。各脏器可见急性淤血、水肿及继发于休克的改变。
(二)亚急型
心肌病变一般以坏死后空架及早期疏松瘢痕为多见,病变常较广泛,病变的围血管现象常较典型。肉眼经常能检出心肌内有境界清晰的,半透明的小病灶,左室乳头肌常呈凹凸不平的斑驳状外观。心脏扩张增重较急型明显。各脏器均可见充血性心力衰竭的改变。
(三)慢型
心肌病变以陈旧瘢痕为主。心脏重量明显增加,心肌纤维肥大,瘢痕周围尤为显著。心室扩张显著,乳头肌、肉柱扁平。各脏器均可见慢性淤血。
(四)潜在型
既可以是病变初起,尚未表现症状体征,也可以是病变隐匿发生,心肌损伤已修复。偶有的几例尸检病理检查发现,心脏有不同程度的病变,病变范围较小,没有很明显的心脏扩张和增重。
(一)心电检查
包括心电图、动态心电图检查。其中心电图检查设备简单、携带方便、易于操作、重复性好、费用低廉,是克山病病情调查和临床检诊最常用的临床检查方法。一般描记12个导联,必要时加做右侧胸前导联。克山病可见多种异常心电图,主要表现为心肌损伤、心律失常和房室肥大3个方面,各型分别具有不同特点。动态心电图是在患者日常生活状态下连续24小时或更长时间记录其心电活动的全过程,并借助计算机进行分析处理,以发现在常规体表心电图检查时不易发现的心律失常和心肌缺血等,可为克山病临床诊断、治疗及判断疗效提供重要客观依据。
1.主要异常心电图改变
(1)心肌损伤
最常见的是ST-T改变,S-T段抬高呈单向曲线,类似急性心肌梗死样改变,或S-T段压低,T波低平、倒置或双向。Q-T间期延长,QRS波群低电压、有的呈QS形或Qr波形。
(2)心律失常
激动起源异常和激动传导异常均可见。在起源异常方面最常见的是室性期前收缩,可表现多种形式,频发多源、成对、短阵室速等,其次为房性期前收缩,房颤、交界性期前收缩、逸博、非阵发性心动过速等较少见。在传导异常方面最常见的是右束支传导阻滞和房室传导阻滞,左前分支阻滞、左束支阻滞、窦房阻滞亦可见。
(3)房室肥大
左室肥大最多见,其次为左房肥大和双室肥大。
2.各型克山病心电图特点
(1)急型克山病
急型克山病患者早期多有Q-T间期延长,QRS波群低电压、传导阻滞。重症可出现S-T段抬高呈单向曲线,或出现类似心肌梗死样心电图改变,QRS波形呈QR或Qr波形,可同时伴有心律失常,最常见的是室性期前收缩和房室传导阻滞。
(2)亚急型克山病
常见窦性心动过速,QRS波群低电压、ST-T改变、房室传导阻滞、右束支传导阻滞、室性期前收缩,S-T段抬高呈单向曲线以及坏死性Q波亦见。在发病早期各种异常心电图有易变、突变的特点。
(3)慢型克山病
此型患者几乎都有心电图异常,可见各种改变,而且往往几种异常同时并存。最常见的是室性期前收缩、ST-T改变、右束支传导阻滞,房性期前收缩、房室传导阻滞、房颤、左房肥大也较常见。常规心电图室早的检出率为40%~63.2%,ST-T改变的检出率为61%~79%。慢型克山病如果伴有室性期前收缩(频发多源、成对、室速)、ST-T改变、房颤、完全性右束支传导阻滞,预后较差,生存期短,尤其是几种异常同时并存时。动态心电图室性期前收缩的检出率为96.5%,频发室性期前收缩75.4%,成对室性期前收缩77.2%,非阵发性室性心动过速59.6%,房性期前收缩的检出率为84.3%,并发现室性期前收缩具有昼夜周期性变化的生物钟现象。
(4)潜在型克山病
主要心电图改变为室性期前收缩、完全性右束支传导阻滞或/和ST-T改变,但较其他各型检出率低。
(二)胸部X线检查
胸部X线检查对克山病的诊断和临床转归判断具有一定应用价值,其主要表现为心脏增大,波动减弱,肺淤血或肺水肿。
1.心脏大小
克山病心脏呈肌源性扩张,心脏外缘分别向两侧扩大,心脏横径下移,心膈角增宽,心脏形态以普大型多见,呈烧瓶状或球形,也有的显示为二尖瓣型、主动脉瓣型。各房室腔有不同程度的增大,肺动脉段平直或突出,上腔静脉增宽。心脏多以左室增大多见,心尖向左下移位,其次为左房增大,右房增大则少见。心脏轻度增大时常以左室为主,显著增大时各房室腔都会增大。
2.心脏搏动
X线胸部透视可见心脏搏动减弱和不规则,少数局部搏动消失和反常搏动。心脏记波摄影显示,波幅降低或消失。
3.肺部表现
急型、亚急型多为肺充血、肺水肿,肺野模糊,间质和肺泡水肿。慢型克山病病例多为肺淤血,肺纹理增多、增粗、延长、模糊。
4.各型克山病特点
(1)急型克山病
心脏呈轻度增大多见,早期可稍大,心脏多呈烧瓶状,搏动减弱,双肺以间质和肺泡水肿多见。
(2)亚急型克山病
多数心脏为中度或重度增大,少数轻度,个别早期可不大,心脏外形以普大型多见,根据2 261例统计,普大型占79.9%。双肺有不同程度淤血,间质水肿,少数合并肺水肿或肺动脉高压表现。
(3)慢型克山病
均有心脏增大,以重度增大多见,心脏外形多呈普大型,肺动脉段突出,肺部淤血明显。
(4)潜在型克山病
心脏不大或稍大,其他多无异常。
(三)超声心动图检查
超声心动图检查对克山病的诊断具有重要价值,尤其是与肥厚型心肌病、限制性心肌病、风湿性心脏瓣膜病等慢性心肌疾病的鉴别很有帮助,有的患者只有通过超声检查才能做出正确判断。克山病患者心脏超声显示心脏结构和功能均发生改变,主要表现为房室腔径扩大,室壁运动幅度减弱,左室射血分数(left ventricular ejection fraction,LVEF)减低,附壁血栓等。其中房室腔径扩大程度依次为慢型>亚急型>急型>潜在型。
1.心腔扩大
早期左心室扩大,后期各心腔均有不同程度扩大。其中慢型克山病左室增大的检出率最高,可呈球形;其次为左房、右室。常合并有二尖瓣和三尖瓣反流,肺动脉或肺静脉增宽。随着心腔扩大,可出现肺动脉高压。
2.室壁运动减弱
由于心肌收缩无力,绝大多数患者左室壁运动弥漫性或节段性减弱、室壁相对变薄,可合并右室壁运动减弱。
3.收缩及舒张功能下降
左室收缩功能各项参数指标明显减低,如:每搏输出量(stroke volume,SV)、每分输出量(cardiac output per minute,CO)、左室射血分数(LVEF)及左心室短轴缩短率(left ventricular fractional shortening,LVFS)均降低,其中LVEF值可降低到45%以下,LVFS可降到25%以下。出现右室收缩功能下降时,三尖瓣环位移距离(tricuspid annular plane systolic excursion,TAPSE)<1.7cm、右室面积变化分数(right ventricular fractional area change,RVFAC)<35%。舒张功能减低时,二尖瓣口血流频谱早期常表现A峰增高、E峰减低,E/A<1;随着病情进展,可出现E峰正常或稍高,A峰减低,E/A>1,即假性正常化;组织多普勒二尖瓣瓣环运动速度均减低,Am>Em,Em速度(室间隔Em<7cm/s,侧壁Em<10cm/s),平均E/Em>14。
4.其他
附壁血栓多发生在左室心尖部,呈弱或强回声团块,条形、半圆形或半球形,随心室壁而动。
(四)实验室检查
1.血清心肌肌钙蛋白I或T升高
心肌肌钙蛋白仅存在于心肌细胞中,是由肌钙蛋白T(cardiac troponin T,cTnT)、肌钙蛋白 I(cardiac troponin I,cTnI)和肌钙蛋白 C(cardiac troponin C,cTnC)三种亚单位组成的络合物。cTnT、cTnI是心肌细胞特有的抗原,在心肌细胞损伤时从心肌纤维上降解下来。血清中cTnT或cTnI升高反映了心肌细胞受损,其特异性与敏感性均高于以往常用的心肌酶谱。
2.血清心肌酶变化
急型、亚急型血清谷草转氨酶(serum glutamic oxalacetic transaminase,SGOT)、血清肌酸磷酸激酶(creatinine phosphkinaes,CPK)及其同工酶、乳酸脱氢酶(lactic dehydrogenase,LDH)及其同工酶的活性可有不同程度的升高。多在发病后数小时升高,1~3天达高峰,1~2周后逐渐恢复正常。慢型急发患者血清心肌酶活性也会有不同程度的升高。潜在型酶活性无明显变化。血清心肌酶谱的活性变化对急型、亚急型克山病诊断和心肌损伤程度的判断有一定价值。如果亚急型克山病恢复期出现心肌酶活性升高,表示心肌有新的损伤。血清心肌酶肌酸激酶同工酶(creatine kinase-MB,CK-MB)含量增高,对克山病的早期诊断有重要意义。
3.血浆B型利钠肽浓度
B型利钠肽又称脑利钠肽(brain natriuretic peptide,BNP),是由心肌细胞合成的具有生物学活性的天然激素,主要在心室表达,同时也存在于脑组织中。当左心室功能不全时,由于心肌扩张而快速合成释放入血,有助于调节心脏功能。心肌细胞所分泌的脑利钠肽先以108个氨基酸组成的前体形式(pro-BNP)存在,当心肌细胞受到刺激时,在活化酶的作用下裂解为由76个氨基酸组成的无活性的直线多肽和32个氨基酸组成的活性环状多肽,释放入血循环,分别被称为NT-proBNP和BNP。血浆B型利钠肽浓度检测临床多用于心衰筛查、诊断和鉴别诊断,病情严重程度及预后的评估。当克山病患者出现心功能不全时,BNP和NT-proBNP会显著升高,其中NT-proBNP的生物半衰期相对较长,约为60~120min,浓度比较稳定,血液中含量相对较高(比BNP高16~20倍),已成为目前最重要的心脏功能生物标志物。
4.其他血液检查
红细胞计数和血红蛋白无明显改变,急型、亚急型克山病患者有的白细胞总数和粒细胞数增多,慢型克山病患者常有不同程度的贫血,红细胞沉降率增快。血清蛋白分析,慢型患者有白蛋白偏低,球蛋白增高。
5.尿常规检查
尿常规检查一般无特殊变化,慢型患者可有蛋白尿。
(五)其他特殊检查
1.心脏磁共振(cardiac magnetic resonance, CMR)检查和延迟增强成像(late gadolinium enhancement, LGE)
CMR平扫与LGE技术不仅可以准确检测心肌功能,而且能清晰识别心肌组织学特征(包括心脏结构、心肌纤维化瘢痕、心肌活性等),是诊断和鉴别心肌疾病的重要检测手段。克山病磁共振成像主要表现为左心室容积扩大、射血分数、短轴缩短率降低。心室壁信号强度在造影剂(gadopentetate dimeglumine,Gd-DT-PA)增强后可有心肌局灶异常高信号,显示心肌退化坏死及纤维化,对克山病风险评估及预后判断具有重要价值。
2.心脏放射性核素扫描(emission computed tomography, ECT)及心肌灌注
ECT心室造影可显示慢型克山病患者心腔扩大与室壁运动减弱,左心室射血分数减小,运动后更为明显。(201)铊或(99m)锝平面或单光子发射断层扫描(single photon emission computed tomography,SPECT)心肌灌注显像可示左心室腔扩大,室壁变薄,部分病例显示有小斑块状稀疏或灌注缺损,放射性分布不均匀。
3.冠状动脉造影/CT血管成像
冠状动脉(冠脉)造影/CT血管成像(CTangiography,CTA)检查主要用于排除缺血性心肌病,用于克山病的鉴别诊断。
4.心内膜心肌活检
克山病心肌病变主要是心肌细胞变性、坏死及瘢痕形成,新旧病灶交替分布,在瘢痕周围的心肌细胞肥大明显,而瘢痕灶围绕冠状动脉分支分布。心内膜心肌活检和组织病理学检查有助于克山病的病因诊断与鉴别诊断。
疾病的预防不仅仅是指采取措施预防疾病的发生,还包括疾病发生后阻止或延缓其发展,防止伤残和促进功能恢复,从而最大限度地减少疾病造成的危害。一级预防是病因预防,二级预防和三级预防属于疾病控制的范畴。
一、克山病一级预防
克山病的一级预防主要是针对可疑病因采取的硒预防、膳食预防、综合性预防等措施。
(一)硒预防
实践证明硒预防急型和亚急型克山病发病有一定的效果。补硒的方法有几种,总投入较少时,比较经济可行的是服用亚硒酸钠片。根据最新中国居民膳食营养素参考摄入量,不同年龄及不同需求的人群中硒的推荐/适宜摄入量范围是15~78μg/d。国外的调查表明,英国人饮食中硒日摄入量为31~65μg,而美国人饮食中硒日摄入量为70~100μg。新西兰贫硒土壤导致其较低的饮食硒日摄入量只有30μg或更低。
1.硒片
亚硒酸钠片每片含硒1mg,口服剂量5岁以下0.5mg/次,5~10岁 1.0mg/次,10岁以上2.0mg/次,每周一次。从克山病高发季节前1~2个月开始服药,至高发季节过后停止服药。有条件病区人群可常年服用,不限于流行季节。成年人每周口服亚硒酸钠2.0mg,相当于每人每日摄入硒130μg左右,加上饮食摄硒量,每人每日摄入硒可达150μg。服硒片简便易行,适于大面积应用,但需由专人负责投药。
2.硒盐
硒盐为每吨食盐加入亚硒酸钠15g制成,作为烹调用盐或腌制咸菜、泡菜、发酵食品等使用,供病区居民常年食用。硒盐和硒盐加工的食品,在色、香、味方面与普通食盐及其腌制食品无差别,食用后无不良反应,服用硒盐也可达到预防克山病的目的。在GB 14880—2012《食品营养强化剂使用标准》修订过程中,增加一项“我国居民膳食指南中提倡减少食用的食品不宜作为强化的载体”这一基本原则,不允许在食盐中强化其他营养成分,因此使用硒盐预防克山病这种手段已经停止。
3.硒粮
在主要粮食作物的抽穗期,按每亩0.6~1.0g亚硒酸钠喷施亚硒酸钠水溶液,通过叶面吸收增加籽实含硒量,食用此种硒粮可提高发硒含量。有发达国家对农作物施含硒化肥,提高农作物的硒含量。这两种方法仅适用于农业基本实现机械化操作的地区。
4.高硒食品
天然食品中以海产类食物含硒量最高,陆生动物次之,一般蔬菜含硒量甚低。蘑菇类含硒量较高,但其生物利用率很低。家畜的肉、肝含硒量不高,只有肾脏含硒量较高。此外,家禽的蛋和鱼虾等水产品也含有较高的硒。为了满足病区居民体内硒的需要量,一方面可以食用硒强化食品,另一方面可食用含硒量较高的食品,均可达到预防克山病的目的。由于病区多在边远地区,经济发展落后,人均收入较低,病区人群多半没有能力购买富硒食品。因此,此法难以普及应用。
(二)膳食预防
1.大豆及其制品
将大豆粉按10%比例混入玉米粉中,或者每人每日一块275g豆腐添加到副食中,均可达到预防克山病效果。也可以采用多种加工方法生产各种大豆食品,如婴儿豆浆等,确保病区居民每日膳食中大豆或其制品有一定比例。大多数病区可自产大豆,便于因地制宜开发大豆资源合理利用。
2.平衡膳食
应调整病区居民的膳食结构,特别是改善婴儿喂养。经调查发现,在西南病区几乎都是喂养单一大米粉的儿童发病,因此要提倡合理喂养。可借鉴非病区居民食物消费的种类、数量、质量和多样化的方法和经验,力求合理搭配膳食。
在目前条件下,如何使病区居民膳食结构合理化、科学化,以达到防病和提高身体素质的目的,可根据WS/T 578.3—2017中国居民膳食营养素参考摄入量第3部分:微量元素相应的调整食物结构,逐步改变膳食中不合理部分,如改变高谷物膳食状况,增加大豆制品供应,不断增加动物性食品和蔬菜的比例等。影响食品消费结构的因素是多方面的,其中既有生产供应方面因素,也有人群收入水平以及消费习惯等原因。从防病角度,必须针对诸因素进行营养宣传和积极引导,对病区居民食品生产和消费进行有效的营养指导,形成合理的食物结构。
值得注意的是,大豆及平衡膳食增加了蛋白质等其他营养素的摄入量,而硒是以含硒氨基酸的形式被吸收入体内的。因此,大豆及平衡膳食可以很好地改善病区人群的蛋白和硒营养水平。
(三)综合性预防
克山病病因尚未完全清楚,本项预防是根据克山病病因的各种学说主张而采用的一种综合性措施,在我国广大病区的长期防病实践中,其有效性得以证明和共识。
综合性预防措施主要包括:保护水源、保证水质、不喝生水;改善居住条件,消除发病诱因,做到防寒、防烟、防潮;改善环境卫生,保持室内、庭院和街道清洁卫生;注意保管粮食以防发霉、污染;改善营养,合理搭配主副食,提高动植物蛋白质和各种营养素的摄取量,使膳食营养合理化;防止过度疲劳;防止精神刺激;防止暴饮暴食。
二、克山病二级预防
克山病的二级预防主要包括早发现、早诊断和早治疗,提高治愈率,降低病死率。具体实施手段为建立健全基层克山病防治网开展监测,在克山病病区以病区村为单位,由村医线索调查疑似心肌病病例,同时收集患者近期门诊或住院的心电图、心脏超声、住院病历等临床检查资料。县疾控中心专业人员和相关临床医生对可疑克山病患者进行临床查体和十二导联心电图描记,心脏超声检查,并按照WS/T 210《克山病诊断标准》进行诊断,其中疑难病例需由省级专家组现场复诊。对于新发患者及时根据实际情况进行治疗。
三、克山病三级预防
目前的克山病三级预防即为做好现症克山病患者的对症治疗和社区管理,平时以社区治疗为主,必要时纳入住院治疗。治疗工作主要包括,临床医生对每例患者进行用药指导,防治专业人员对患者进行克山病知识、不良生活方式及危险因素的宣传,目的是提高患者的生活质量,延长寿命,降低病死率。三级预防措施主要是克山病患者的自我管理,慢型克山病患者经过治疗,可阻止心功能进一步恶化,有效遏制病情的发展,降低病死率。
现阶段对纳入克山病治疗管理项目的患者,按照“分期分批安排”的原则,制订救治工作计划。优先考虑家庭贫困患者、病情危重患者、未接受过救治的患者和预期治疗效果好、易巩固、能恢复生产生活能力的患者。方式为入院治疗或开展门诊诊疗,并告知出院患者定期在定点医院进行心电图、X线、超声心动图、心脏功能及相应的血液学指标检查。
无须住院治疗的患者在定点医院根据病情开药,以家庭病床治疗为主,并定期进行复查,乡村医生指导其用药及病情的跟踪。



